Español| Estado de Disponibilidad: | |
|---|---|
| Cantidad: | |
BTDY
BEITE
Modelo Descripción
Nueva Zelanda—□—□
Indica la constante de la marca Beite. dispositivo de suministro de agua a presión, el primer □ indica el diámetro nominal del tanque, y el segundo □ indica el máximo laboral presión.
Como NZG-800-0.6
Indica a constante presión agua suministrar dispositivo con a tanque diámetro de 800 y a laboral presión de 0,6 MPa.
Principio de funcionamiento
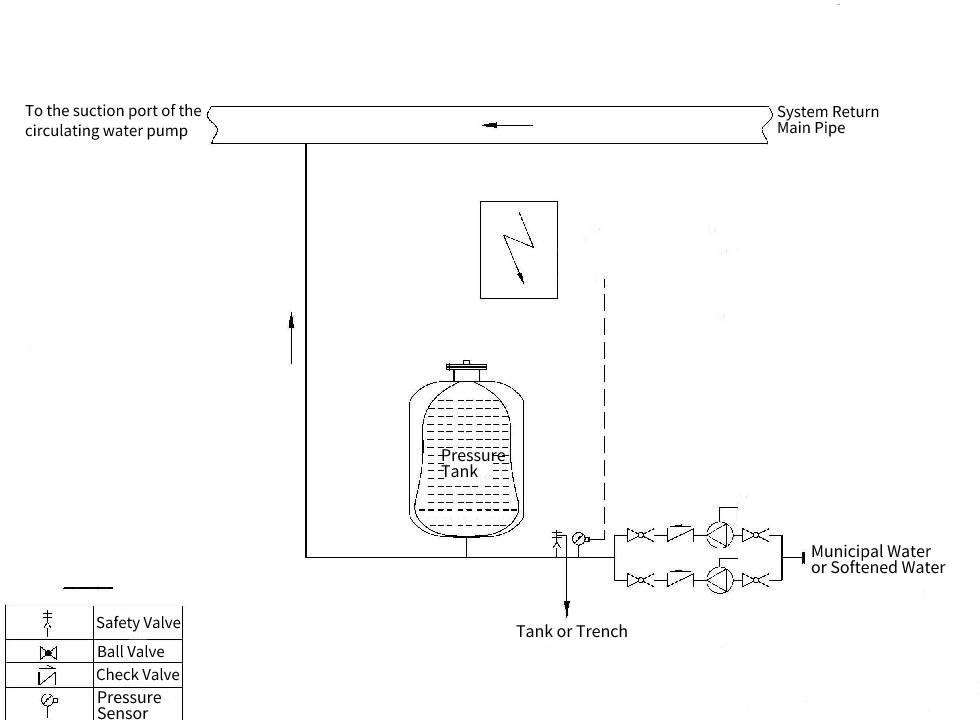
En un sistema de circuito cerrado, para garantizar la estabilidad de la presión del sistema, se requiere un dispositivo de expansión ajustable.Cuando la presión del sistema disminuye, la presión de la cámara de agua del tanque de presión conectado a él también disminuye, el volumen de la cámara de aire se expande y la presión también disminuye.Cuando el sistema de control establece el límite inferior, la bomba de agua se enciende automáticamente para reponer el sistema hasta que se alcanza el valor establecido.Se establece el límite de presión superior y la bomba se detiene.Cuando se calienta el agua en el sistema, la temperatura aumenta, el volumen se expande, la cámara de aire se aprieta y la presión en el sistema de presión aumenta.Cuando se alcanza el valor límite, el agua del sistema ingresa al expansor (o tanque de agua ablandada) a través del dispositivo de liberación de seguridad.La presión del sistema también cae al valor establecido y detiene la liberación de presión, logrando la función de reposición de agua a presión constante.
Parámetros técnicos
1. Fuente de alimentación: 380V, 50HZ
2. Rango de suministro de agua: 0 ~ 1000 m3/h (consulte los parámetros de la bomba suministrados para obtener más detalles)
3. Rango de presión: 0~2.0MPa, precisión de ajuste de presión: ≤0.01 MPa (configurada según los requisitos del sitio)
4. Control de potencia: verifique los parámetros de la bomba suministrados para obtener más detalles.
5. Número de bombas de agua: 2 juegos
6. Modo de funcionamiento: manual, automático
7. Temperatura ambiente: 5-40°C, humedad ambiental: <90% (20°C), sin condensación
8. Líquido de transporte: agua clara, temperatura del líquido: 0~70 ℃
9. Ocasión de instalación: interior, exterior.
Características
1. Presión constante automática, reposición automática de agua y drenaje automático de agua.
2. Los parámetros de funcionamiento se pueden configurar arbitrariamente y es adecuado para cualquier sistema cerrado de suministro de agua a presión constante.
3. Ahorre energía: lea automáticamente la información del sistema y solo inicie el dispositivo cuando sea necesario.
4. Ocupa un área pequeña, es fácil de instalar y usar, funciona de forma totalmente automática, es seguro y confiable y fácil de mantener.
5. Fiable y duradero: diseñado para un funcionamiento sencillo y a largo plazo.
Solicitud
1.Centralizado doméstico agua suministrar sistema en Residencial áreas, Residencial edificios, pueblos y pueblos.
2. Circulation zapatillas y enfriamiento agua suministrar sistemas para varios tipos de central aire acondicionadores.
3. Doméstico agua suministrar sistemas en Alto edificios, hoteles, restaurantes, etc.
4. Integral doméstico agua suministrar sistema para mercados, oficina edificios y comercial edificios.
5. Caliente agua suministrar, caliente agua calefacción sistema y fuego agua suministrar sistema de Alto edificios.
6. Producción, doméstico agua suministrar, constante presión fluir agua suministrar proceso de industrial y minería empresas, etc.
Modelo Descripción
Nueva Zelanda—□—□
Indica la constante de la marca Beite. dispositivo de suministro de agua a presión, el primer □ indica el diámetro nominal del tanque, y el segundo □ indica el máximo laboral presión.
Como NZG-800-0.6
Indica a constante presión agua suministrar dispositivo con a tanque diámetro de 800 y a laboral presión de 0,6 MPa.
Principio de funcionamiento
En un sistema de circuito cerrado, para garantizar la estabilidad de la presión del sistema, se requiere un dispositivo de expansión ajustable.Cuando la presión del sistema disminuye, la presión de la cámara de agua del tanque de presión conectado a él también disminuye, el volumen de la cámara de aire se expande y la presión también disminuye.Cuando el sistema de control establece el límite inferior, la bomba de agua se enciende automáticamente para reponer el sistema hasta que se alcanza el valor establecido.Se establece el límite de presión superior y la bomba se detiene.Cuando se calienta el agua en el sistema, la temperatura aumenta, el volumen se expande, la cámara de aire se aprieta y la presión en el sistema de presión aumenta.Cuando se alcanza el valor límite, el agua del sistema ingresa al expansor (o tanque de agua ablandada) a través del dispositivo de liberación de seguridad.La presión del sistema también cae al valor establecido y detiene la liberación de presión, logrando la función de reposición de agua a presión constante.
Parámetros técnicos
1. Fuente de alimentación: 380V, 50HZ
2. Rango de suministro de agua: 0 ~ 1000 m3/h (consulte los parámetros de la bomba suministrados para obtener más detalles)
3. Rango de presión: 0~2.0MPa, precisión de ajuste de presión: ≤0.01 MPa (configurada según los requisitos del sitio)
4. Control de potencia: verifique los parámetros de la bomba suministrados para obtener más detalles.
5. Número de bombas de agua: 2 juegos
6. Modo de funcionamiento: manual, automático
7. Temperatura ambiente: 5-40°C, humedad ambiental: <90% (20°C), sin condensación
8. Líquido de transporte: agua clara, temperatura del líquido: 0~70 ℃
9. Ocasión de instalación: interior, exterior.
Características
1. Presión constante automática, reposición automática de agua y drenaje automático de agua.
2. Los parámetros de funcionamiento se pueden configurar arbitrariamente y es adecuado para cualquier sistema cerrado de suministro de agua a presión constante.
3. Ahorre energía: lea automáticamente la información del sistema y solo inicie el dispositivo cuando sea necesario.
4. Ocupa un área pequeña, es fácil de instalar y usar, funciona de forma totalmente automática, es seguro y confiable y fácil de mantener.
5. Fiable y duradero: diseñado para un funcionamiento sencillo y a largo plazo.
Solicitud
1.Centralizado doméstico agua suministrar sistema en Residencial áreas, Residencial edificios, pueblos y pueblos.
2. Circulation zapatillas y enfriamiento agua suministrar sistemas para varios tipos de central aire acondicionadores.
3. Doméstico agua suministrar sistemas en Alto edificios, hoteles, restaurantes, etc.
4. Integral doméstico agua suministrar sistema para mercados, oficina edificios y comercial edificios.
5. Caliente agua suministrar, caliente agua calefacción sistema y fuego agua suministrar sistema de Alto edificios.
6. Producción, doméstico agua suministrar, constante presión fluir agua suministrar proceso de industrial y minería empresas, etc.